欢迎来到宁波索诺工业自控设备有限公司官方网站!
语言选择:
Loading...

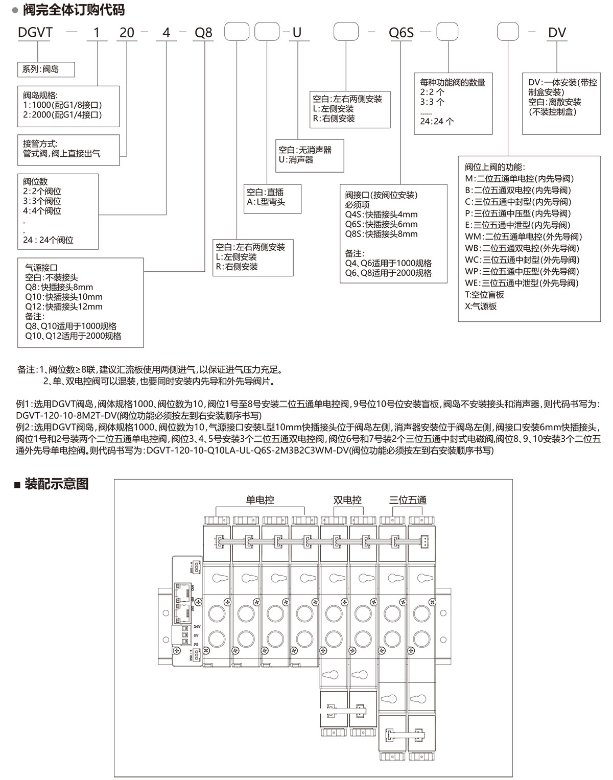
DGVT系列阀岛

产品分类:气动控制元件

咨询热线:
0574-88867777

手机站

官网:www.china-stnc.com

地址:浙江省宁波市奉化区溪口工业园区综研路21号